导航切换
我的
导航切换
专业
搜索
节目
画面
研报
注册/登录
个性定制
|
内容总结
章节片段
字幕全文
思维导图
深度学习
追问
拖动时间轴点击获取起止时间码,截取片段时长
不能超过
5分钟
×
点击获取
开始时间:
点击获取
结束时间:
保存片段标题:
保存
|
分享
QQ好友
QQ空间
页面地址:
复制
复制链接给好友,分享精彩视频
扫一扫手机观看&分享
对不起,您不在IP段范围内,无法观看
1690 播放
收藏
片段保存及分享
播放有问题?
请戳这里
发电机过励磁保护
时长:13 分钟
类别:电力系统继电保护技术
简介:发电机过励磁保护保护发电机过励磁,即当电压升高和/或频率降低时工作磁通密度过高引起绝缘过热老化的保护装置。保护装置设低定值和高定值两个时限,低定值定时限动作于信号,低定值反时限及带延时的高定值动作于发电机保护停机。
标签:
教学
电力系统继电保护技术
发电机保护
相关视频:
双母线变电站保护区
这是一个有四个蜂鸣器的变电站,两个进线器和四个馈线,让我们看看为这种双母线的变电站设置了哪些保护区。
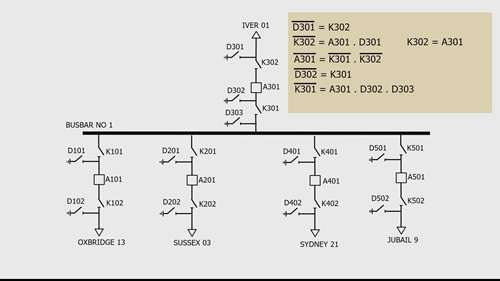
变电站单母线联锁回路
单母线接线具有简单清晰、设备少、投资小、运行操作方便目有利于扩建等优点,但可靠性和灵活性较差。本视频介绍变电站单母线联锁回路。
中压断路器测试
断路器最重要的任务可能是切断故障电流。在几分之一秒内切断比额定电流高出许多倍的高故障电流,需要断路器处于完美状态。因此,必须定期测试它们,以确保它们在真正重要的时候有效。本视频介绍中压断路器的测试。
输电线路的数字化继电保护技术
数字化继电保护技术对于输电线路的安全稳定运行非常重要,本节目介绍用于电力输电线路的数字化继电技术。
电力系统故障分析 3
本集中我们将讲述故障分析计算过程的第一步,那就是将系统转换为基础值,我们将展示这如何大大简化我们的计算。
什么是保护继电器?
保护继电器是被设计用来检测到电力线路故障时断路的装置,它通过电流互感器和电压互感器监控断路器下游的电路。
过载保护与短路保护
短路保护的常用方法是在线路中串接熔断器或低压断路器,过载保护通常采用热继电器作过载保护元件。本视频比较过载保护与短路保护的不同。
分相电力断路器柜的内部结构
本视频带我们查看北美地区使用的断路器柜的内部元件,以及它与其他地区使用的断路器柜有何不同。
观看记录: