导航切换
我的
导航切换
专业
搜索
节目
画面
研报
注册/登录
个性定制
|
内容总结
章节片段
字幕全文
思维导图
深度学习
追问
拖动时间轴点击获取起止时间码,截取片段时长
不能超过
5分钟
×
点击获取
开始时间:
点击获取
结束时间:
保存片段标题:
保存
|
分享
QQ好友
QQ空间
页面地址:
复制
复制链接给好友,分享精彩视频
扫一扫手机观看&分享
对不起,您不在IP段范围内,无法观看
169 播放
收藏
片段保存及分享
播放有问题?
请戳这里
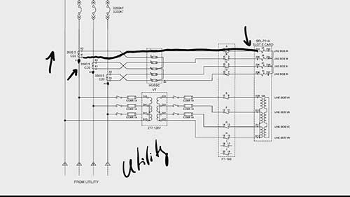
电力变压器的作用
时长:3 分钟
类别:发电厂及电力系统
简介:电力变压器可以实现高压向低压或低压向高压的电压变换,满足电力系统中不同电压等级设备的需求,保证电力输送和使用的正常运行。
标签:
教学
发电厂及电力系统
变电站设备
相关视频:
什么是电力系统频率控制
在电力系统中,当负荷大于供电功率时,系统中的频率会下降。同样,当负载低于供电功率时,系统中的频率也会增加。因此,为了使系统在稳定的状态下运行,需要对电站的频率进行连续的监测和控制。
输电线的导线材料
根据输电线的导线材料,可以将其分为铜导线和铝导线。铜导线具有导电性能好、机械强度高的优点,但成本较高,一般用于低压输电线路。铝导线具有轻质、价格低的特点,能满足高压输电线路对导线材料轻量化的要求。
组成变电站的各种设备
变电站是电力系统运行的关键。让我们来看看变电站内各种设备的用途。
耦合电容器的作用
耦合电容器是使得强电和弱电两个系统通过电容器耦合并隔离,提供高频信号通路,阻止低频电流进入弱电系统。
用于输配电线路的绝缘子
主要有六种类型的绝缘子可用于输配电线路:引脚式绝缘子、柱形绝缘子、悬式绝缘子、绝缘子、锁扣绝缘子和绝缘套管。
测试电力系统的保护控制系统
为了使变电站或发电厂可靠地工作,必须正确地集成保护控制系统,为了确保保护控制系统的正确功能,本视频介绍如何对其每个组件及其相互作用进行测试。
变电站母线差动保护
我们以使用现代微处理器为基础的SEL-487B保护继电器为例,讨论电流差动保护方案对变电站母线的作用。
钨地热发电厂
本视频展示了一座钨地热发电厂从最初的勘探地热资源到生产电力,这整个过程中的每一个阶段。
观看记录: